
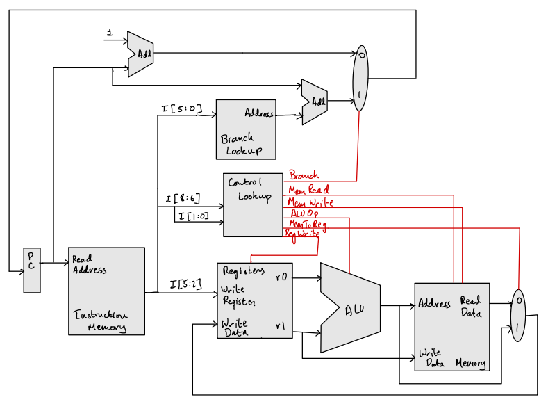
ARMINx8 (Another RISC Microprocessor INdeed) is a fully custom 8-bit microprocessor with a custom architecture
This ISA supports 16 general purpose registers, of which $r0 and $r1 are implicitly used as the rs and rt registers where applicable.
